Trong bài này trình bày các vấn đề cơ bản về cấu tạo, nguyên lý hoạt động, đặc tuyến, các thông số kỹ thuật… các thông số cụ thể từng loại thyristor xem trong bảng tra các thông số Thyristor
Thyristor (Silicon Controlled Rectifier = Thyristor)
1. Cấu tạo
Thyristor gồm bốn lớp bán dẫn P-N ghép xen kẽ và được nối ra ba chân:
A : anode : cực dương
K : Cathode : cực âm
G : Gate : cực khiển (cực cổng)
Thyristor có thể xem như tương đương hai BJT gồm một BJT loại NPN và một BJT loại PNP ghép lại như hình vẽ sau:

2. Nguyên lý hoạt động

+ Trường hợp cực G để hở hay VG = OV
Khi cực G và VG = OV có nghĩa là transistor T1 không có phân cực ở cực B nên T1 ngưng dẫn. Khi T1 ngưng dẫn IB1 = 0, IC1 = 0 và T2 cũng ngưng dẫn. Như vậy trường hợp này Thyristor không dẫn điện được, dòng điện qua Thyristor là IA = 0 và VAK ≈ VCC.
Tuy nhiên, khi tăng điện áp nguồn VCC lên mức đủ lớn là điện áp VAK tăng theo đến điện thế ngập VBO (Beak over) thì điện áp VAK giảm xuống như diode và dòng điện IA tăng nhanh. Lúc này Thyristor chuyển sang trạng thái dẫn điện, dòng điện ứng với lúc điện áp VAK giảm nhanh gọi là dòng điện duy trì IH (Holding). Sau đó đặc tính của Thyristor giống như một diode nắn điện.
Trường hợp đóng khóa K: VG = VDC – IGRG, lúc này Thyristor dễ chuyển sang trạng thai dẫn điện. Lúc này transistor T1 được phân cực ở cực B1 nên dòng điện IG chính là IB1 làm T1 dẫn điện, cho ra IC1 chính là dòng điện IB2 nên lúc đó I2 dẫn điện, cho ra dòng điện IC2 lại cung cấp ngược lại cho T1 và IC2 = IB1.
Nhờ đó mà Thyristor sẽ tự duy trì trạng thái dẫn mà không cần có dòng IG liên tục.
IC1 = IB2 ; IC2 = IB1
Theo nguyên lý này dòng điện qua hai transistor sẽ được khuếch đại lớn dần và hai transistor chạy ở trạng thái bão hòa. Khi đó điện áp VAK giảm rất nhỏ (≈ 0,7V) và dòng điện qua Thyristor là:

Thực nghiệm cho thấy khi dòng điện cung cấp cho cực G càng lớn thì áp ngập càng nhỏ tức Thyristor càng dễ dẫn điện.
+ Trường hợp phân cực ngược Thyristor.
Phân cực ngược Thyristor là nối A vào cực âm, K vào cực dương của nguồn VCC. Trường hợp này giống như diode bị phân cự ngược. Thyristor sẽ không dẫn điện mà chỉ có dòng rỉ rất nhỏ đi qua. Khi tăng điện áp ngược lên đủ lớn thì Thyristor sẽ bị đánh thủng và dòng điện qua theo chiều ngược. Điện áp ngược đủ để đánh thủng Thyristor là VBR. Thông thường trị số VBR và VBO bằng nhau và ngược dấu.
3. Đặc tuyến

IG = 0 ; IG2 > IG1 > IG
5. Các thông số kỹ thuật
Dòng điện thuận cực đại: Đây là trị số lớn nhất dòng điện qua mà Thyristor có thể chịu đựng liên tục, quá trị số này Thyristor bị hư. Khi Thyristor đã dẫn điện VAK khoảng 0,7V nên dòng điện thuận qua có thể tính theo công thức:

Điện áp ngược cực đại: Đây là điện áp ngược lớn nhất có thể đặt giữa A và K mà Thyristor chưa bị đánh thủng, nếu vượt qua trị số này Thyristor sẽ bị phá hủy. Điện áp ngược cực đại của Thyristor thường khoảng 100V đến 1000V.
Dòng điện kích cực tiểu: IGmin : Để Thyristor có thể dẫn điện trong trường hợp điện áp VAK thấp thì phải có dòng điện kích cho cực G của Thyristor. Dòng IGmin là trị số dòng kích nhỏ nhất đủ để điều khiển Thyristor dẫn điện và dòng IGmin có trị số lớn hay nhỏ tùy thuộc công suất của Thyristor, nếu Thyristor có công suất càng lớn thì IGmin phải càng lớn. Thông thường IGmin từ 1mA đến vài chục mA.
Thời gian mở Thyristor: Là thời gian cần thiết hay độ rộng của xung kích để Thyristor có thể chuyển từ trạng thái ngưng sang trạng thái dẫn, thời gian mở khoảng vài micrô giây.
Thời gian tắt: Theo nguyên lý Thyristor sẽ tự duy trì trạng thái dẫn điện sau khi được kích. Muốn Thyristor đang ở trạng thái dẫn chuyển sang trạng thái ngưng thì phải cho IG = 0 và cho điện áp VAK = 0. để Thyristor có thể tắt được thì thời gian cho VAK = OV phải đủ dài, nếu không VAK tăng lên cao lại ngay thì Thyristor sẽ dẫn điện trở lại. Thời gian tắt của Thyristor khoảng vài chục micrô giây.
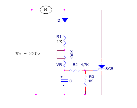
5. Ứng dụng của Thyristor:

Trong mạch điện động cơ M là động cơ vạn năng, loại động cơ có thể dùng điện AC hay DC.
Dòng điện qua động cơ là dòng điện ở bán kỳ dương và được thay đổi trị số bằng cách thay đổi góc kích của dòng IG.
Khi Thyristor chưa dẫn thì chưa có dòng qua động cơ, diode D nắn điện bán kỳ dương nạp vào tụ qua điện trở R1 và biến trở VR. Điện áp cấp cho cực G lấy trên tụ C và qua cầu phân áp R2 – R3.
Giả sử điện áp đủ để kích cho cực G là VG = 1V và dòng điện kích IGmin = 1mA thì điện áp trên tụ C phải khoảng 10V. Tụ C nạp điện qua R1 và qua VR với hằng số thời gian là : T = (R1 + VR)C
Khi thay đổi trị số VR sẽ làm thay đổi thời gian nạp của tụ tức là thay đổi thời điểm có dòng xung kích IG sẽ làm thay đổi thời điểm dẫn điện của Thyristor tức là thay đổi dòng điện qua động cơ và làm cho tốc độ của động cơ thay đổi.
Khi dòng AC có bán kỳ âm thì diode D và Thyristor đều bị phân cực nghịch nên diode ngưng dẫn và Thyristor cũng chuyển sang trạng thái ngưng dẫn.

Xem thêm
Thí nghiệm sau đây minh hoạ sự hoạt động của Thyristor

Thí nghiêm minh hoạ sự hoạt động của Thyristor.
Ban đầu công tắc K2 đóng, Thyristor mặc dù được phân cực thuận nhưng vẫn không có dòng điện chạy qua, đèn không sáng.
Khi công tắc K1 đóng, điện áp U1 cấp vào chân G làm đèn Q2 dẫn => kéo theo đèn Q1 dẫn => dòng điện từ nguồn U2 đi qua Thyristor làm đèn sáng.
Tiếp theo ta thấy công tắc K1 ngắt nhưng đèn vẫn sáng, vì khi Q1 dẫn, điện áp chân B đèn Q2 tăng làm Q2 dẫn, khi Q2 dẫn làm áp chân B đèn Q1 giảm làm đèn Q1 dẫn, như vậy hai đèn định thiên cho nhau và duy trì trang thái dẫn điện.
Đèn sáng duy trì cho đến khi K2 ngắt => Thyristor không được cấp điện và ngưng trang thái hoạt động.
Khi Thyristor đã ngưng dẫn, ta đóng K2 nhưng đèn vẫn không sáng như trường hợp ban đầu.
Đo kiểm tra Thyristor
Đặt động hồ thang x1W , đặt que đen vào Anot, que đỏ vào Katot ban đầu kim không lên , dùng Tovit chập chân A vào chân G => thấy đồng hồ lên kim , sau đó bỏ Tovit ra => đồng hồ vẫn lên kim => như vậy là Thyristor tốt .

Đo kiểm tra Thyristor
Ứng dụng của Thyristor
Thyristor thường được sử dụng trong các mạch chỉnh lưu nhân đôi tự động của nguồn xung Ti vi mầu .
Thí dụ mạch chỉnh lưu nhân 2 trong nguồn Ti vi mầu JVC 1490 có sơ đồ như sau:

Ứng dụng của Thyristor trong mạch chỉnh lưu nhân 2 tự động của nguồn xung Tivi mầu JVC