Các IC khuếch đại thuật toán có nhiều ứng dụng trong các thiết bị điện tử từ dân dụng, công nghiệp… Các IC khuếch đại thuật toán thông dụng hiện nay có giá bán rất rẻ. Các thiết kế hiện đại đã được thiết kế chặt chẽ hơn trước đây, và một số thiết kế cho phép mạch điện chịu đựng được tình trạng ngắn mạch đầu ra mà không làm hư hỏng. Trong đó IC 741 đã xuất hiện rất sớm, góp công lớn trong việc phát triển ứng dụng IC thuật toán.


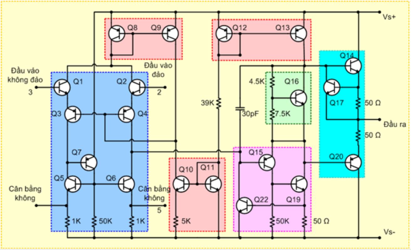
Chức năng các chân IC
Chân 1: Chân chỉnh không
Chân 2: Ngõ vào đảo
Chân 3: Ngõ vào không đảo
Chân 4: VEE chân nối đến đầu âm nguồn kép.
Chân 5: Không dùng
Chân 6: Tín hiệu ra
Chân 7: Nguồn dương
Chân 8: Không dùng
Mặc dù các thiết kế có thể khác nhau giữa các sản phẩm và các nhà chế tạo, nhưng tất cả các mạch khuếch đại thuật toán đều có chung những cấu trúc bên trong bao gồm 3 tầng:
Mạch khuếch đại vi sai: Tầng khuếch đại đầu vào — tạo ra độ khuếch đại tạp âm thấp, tổng trở vào cao, thường có đầu ra vi sai
Mạch khuếch đại điện áp: Tầng khuếch đại điện áp, tạo ra hệ số khuếch đại điện áp lớn, độ suy giảm tần số đơn cực, và thường có ngõ ra đơn
Mạch khuếch đại đầu ra: Tầng khuếch đại đầu ra, tạo ra khả năng tải dòng lớn, tổng trở đầu ra thấp, có giới hạn dòng và bảo vệ ngắn mạch.

Gương dòng điện
Các phần mạch điện được tô màu đỏ cam là các gương dòng điện. Dòng điện ban đầu để có thể sinh ra các dòng điện khác được xác định bởi điện áp cấp nguồn và điện trở 39kΩ cùng với 2 mối nối pn tạo ra.
Dòng điện được tính gần đúng bằng: (VS+ – VS- – 2Vbe)/39 kΩ.
Trạng thái của tầng khuếch đại đầu vào được điều khiển bởi hai gương dòng điện bên phía trái. Q10 and Q11 hình thành một nguồn dòng Widlar trong đó điện trở 5 kΩ sẽ đặt dòng điện của cực thu Q10 đến một trị số có tỷ lệ rất nhỏ so với dòng điện ban đầu.
Dòng điện cố định của Q10 cấp dòng cực nền cho transistor Q3 và Q4 nhưng cũng cấp dòng cực thu cho Q9, trong khi gương dòng điện Q8 và Q9 sẽ cố bám theo độ lớn của dòng cực thu Q3 và Q4. Dòng nay cũng bằng với dòng điện yêu cầu cho đầu vào, và sẽ là một tỷ lệ nhỏ của dòng điện Q10 vốn đã nhỏ.
Một cách khác để nhìn nhận vấn đề là nếu dòng điện của đầu vào có khuynh hướng tăng cao hơn dòng điện Q10, thì gương dòng điện Q8, Q9 sẽ tháo bớt dòng điện ra khỏi chực nền chung của Q3 và Q4, hạn chế dòng đầu vào, và ngược lại. Như vậy, điều kiện về một chiều của tầng đầu vào sẽ được ổn định nhờ một hệ thống hồi tiếp âm có độ lợi cao.
Vòng hồi tiếp này cũng loại trừ những thay đổi theo hướn đồng pha của các thành phần khác trong mạch bằng cách làm cho điện áp cực nền của Q3/Q4 bám theo 2Vbe thấp hơn trị số của điện áp đầu vào.
Gương dòng điện ở góc trái trên Q12/Q13 tạo ra dòng điện cố định cho tầng khuếch đại điện áp lớp A qua cực thu của Q13, và độc lập với điện áp ngõ ra.
Tầng khuếch đại vi sai đầu vào
Phần mạch điện tô màu xanh dương đậm là một tầng khuếch đại vi sai. Q1 và Q2 là transistor đầu vào, lắp theo kiểu theo cực phát (hay kiểu cực thu chung) phối hôp bới đôi transistor Q3 và Q4 nối cực gốc chung thành mạch vi sai đầu vào. Ngoài ra, Q3 và Q4 cũng tác động như một bộ dời mức điện áp và tạo ra một độ lợi để kéo tầng khuếch đại lớp A Chúng cũng tăng cường khả năng chịu điện áp ngược của Vbe rating cho các transistor đầu vào.
Mạch khuếch đại vi sai Q1 – Q4 sẽ kéo một tải tích cực là gương dòng điện Q5 – Q7. Q7 làm tăng độ chính xác của gương dòng điện bằng cách giảm trị số dòng điện tín hiệu cần thiết đi từ Q3 để kéo cực nền của Q5 và Q6. Gương dòng điện này sẽ biến đổi tín hiệu vi sai thành tín hiệu đơn theo cách sau:
Dòng điện tín hiệu của Q3 sẽ là đầu vào của gương dòng điện trong khi đầu ra của gương dòng điện (cực thu của Q6) được nối đến cực thu của Q4. Ở đây, dòng tín hiệu của Q3 và Q4 sẽ được cộng lại với nhau. Đối với nguồn vi sai đầu vào, tín hiệu của Q3 và Q4 bằng và ngược dấu với nhau. Như thế, tổng này sẽ bằng hai lần dòng điện tín hiệu. Mạch này đã hoàn tất quá trình biến từ tín hiệu vào vi sai thành tín hiệu ra đơn.
Điện áp tín hiệu hở mạch xuất hiện ở điểm này do tổng dòng điện trên và các điện trở cực thu của Q4 và Q6 nối song song. Do điện trở cực thu của Q4 và Q6 đối với tín hiệu sẽ rất lớn, nên độ li75 của điện áp hở mạch của tầng này sẽ rất lớn.
Cần lưu ý rằng dòng điện cực nền của đầu vào khác không, và tổng trở đầu vào vi sai của 741 sẽ xấp xỉ 2 MΩ. Chân “offset null” có thể được dùng để lắp các điện trở ngoài song song với điện trở 1 kΩ (thông thường đó sẽ là 2 đầu cuối của 1 biến trở tinh chỉnh) để điều chỉnh cân bằng cho gương dòng điện Q5, Q6, và như thế sẽ gián tiếp điều chỉnh điện áp ra khi tín hiệu đầu vào = 0.
Tầng khuếch đại điện áp lớp A
Phần nằm trong khối màu tím là một mạch khuếcvh đại lớp A. Nó bao gồm 2 transistor NPN nối Darling ton và sử dụng đầu ra của một gương dòng điện làm tải cực thu nhằm có hđộ lợi lớn. Tụ điện 30 pF tạo ra hồi tiếp âm chọn lọc tần số cho tầng khuếch đại này, hình thành một bộ bù tần số để tạo sự ổn định. Kỹ thuật này gọi là bù kiểu Miller và chức năng của nó giống như một mạch tích phân dùng mạch khuếch đại thuật toán. Đặc tuyến biên độ tần số của nó có độ dốc bắt đầu từ 10 Hz và giảm 3 dB / bát độ theo tần số. Nó sẽ kết thúc khi độ lợi giàm xuống một.
Mạch định thiên đầu ra
Khối màu xanh lá cây (Q16) là một mạch dời mức điện áp, hoặc một mạch nhân Vbe ,một dạng của nguồn điện áp. Trong mạch điện như hình vẽ, Q16 tạo ra một sụt áp không đổi giữa cực thu và cực phát bất kể dòng điện qua mạch. Nếu dòng điện cực nền gần bằng không, điện áp giữa hai cực phát và cực nền là 0.625 V (trị số tiêu chuẩn của BJT trong miền tích cực), Do đó dòng điện đi qua điện trở 4.5 kΩ sẽ bằng với dòng đi qua điện trở 7.5 kΩ, và sẽ gây ra giảm áp trên đó là 0.375 V. Do đó nó sẽ duy trì điện áp trên 2 đầu transistor và 2 điện trở là 0.625 + 0.375 = 1 V. Nó sẽ định thiên cho 2 transistor đầu ra ở vùng dẫn gần và giảm méo xuyên tâm. Trong một số mạch khuếch đại linh kiện rời, chức năng này được thực hiện với chỉ 2 diode.
Tầng xuất
Tầng xuất (khối màu xanh lạt) là một mạch khuếch đại đầy kéo lớp AB (Q14, Q20) được định thiên bằng bộ nhân điện áp Vbe Q16 và các điện trở cực thu của nó. Tầng này đucợ kéo bằng cực thu của Q13 và Q19. Dải điện áp ra khoảng thấp hơn 1 volt so với nguồn cấp ứng bao gồm phần điện áp của Vbe transistors Q14 và Q20.
Điện trở 25 Ω trong mạch ra tác động như một mạch nhạy dòng, để tạo chức năng giới hạn dòng ra của transistor Q14 đến trị số khoảng 25 mA đối với 741. Giới hạn cho dòng điện ra âm bằng cách sử dụng điện áp ngang qua điện trở cực phát của Q19 và dùng điện áp này để giảm bớt dòng điện kéo cực nền của Q15. Với các phiên bản mới hơn có thể thấy những sai biệt nhỏ trong mạch giới hạn dòng ra này.
Điện trở ra không bằng 0 nhưng nếu sử dụng hồi tiếp thì có thể tiến đến gần 0 nếu có sử dụng hồi tiếp âm.
Ghi chú: Vì mạch 741 đã từng được dùng trong các thiết bị âm thanh và các thiết bị nhạy cảm khác, nhưng giờ đây nó ít được dùng hơn, vì những mạch khuếch đại đời mới hiện đại đã có nhiều tiến bộ trong việc loại trừ tạp âm. Bên cạnh những tạp âm phát sinh, 741 và các mạch cũ hơn cũng có tỷ số nén tín hiệu d09ồng pha không tốt lắm nên chúng cũng sinh ra tiếng hù và những tương tác đồng pha khác thí dụ như tiếng “click” khi đóng ngắt nguồn trong những thiết bị nhạy cảm.