1 – Giới thiệu về Transistor
1.1 – Cấu tạo của Transistor. ( Bóng bán dẫn )
Transistor gồm ba lớp bán dẫn ghép với nhau hình thành hai mối tiếp giáp P-N , nếu ghép theo thứ tự PNP ta được Transistor thuận , nếughép theo thứ tự NPN ta được Transistor ngược. về phương diện cấu tạo Transistor tương đương với hai Diode đấu ngược chiều nhau .

Ba lớp bán dẫn được nối ra thành ba cực , lớp giữa gọi là cực gốc ký hiệu là B ( Base ), lớp bán dẫn B rất mỏng và có nồng độ
tạp chất thấp.
Hai lớp bán dẫn bên ngoài được nối ra thành cực phát ( Emitter ) viết tắt là E, và cực thu hay cực góp ( Collector )
viết tắt là C, vùng bán dẫn E và C có cùng loại bán dẫn (loại N hay P ) nhưng có kích thước và nồng độ tạp chất khác nhau
nên không hoán vị cho nhau được.
1.2 – Nguyên tắc hoạt động của Transistor.
* Xét hoạt động của Transistor NPN .

Ta cấp một nguồn một chiều UCE vào hai cực C và E trong đó (+) nguồn vào cực C và (-) nguồn vào cực E.
Cấp nguồn một chiều UBE đi qua công tắc và trở hạn dòng vào hai cực B và E , trong đó cực (+) vào chân B, cực (-) vào chân E.
Khi công tắc mở , ta thấy rằng, mặc dù hai cực C và E
đã được cấp điện nhưng vẫn không có dòng điện chạy qua mối C E ( lúc
này dòng IC = 0 )
Khi công tắc đóng, mối P-N được phân cực thuận do đó có một dòng điện chạy từ (+) nguồn UBE qua công tắc => qua R hạn dòng => qua mối BE về cực (-) tạo thành dòng IB
Ngay khi dòng IB xuất hiện => lập tức cũng có dòng IC chạy qua mối CE làm bóng đèn phát sáng, và dòng IC mạnh gấp nhiều lần dòng IB
Như vậy rõ ràng dòng IC hoàn toàn phụ thuộc vào dòng IB và phụ thuộc theo một công thức .
IC = β.IB
Trong đó IC là dòng chạy qua mối CE
IB là dòng chạy qua mối BE
β là hệ số khuyếch đại của Transistor
Giải thích : Khi có điện áp UCE nhưng các điện tử và lỗ trống không thể vượt qua mối tiếp giáp P-N để tạo thành dòng điện, khi xuất hiện dòng IBE
do lớp bán dẫn P tại cực B rất mỏng và nồng độ pha tạp thấp, vì vậy số
điện tử tự do từ lớp bán dẫn N ( cực E ) vượt qua tiếp giáp sang lớp
bán dẫn P( cực B ) lớn hơn số lượng lỗ trống rất nhiều, một phần nhỏ
trong số các điện tử đó thế vào lỗ trống tạo thành dòng IB còn phần lớn số điện tử bị hút về phía cực C dưới tác dụng của điện áp UCE => tạo thành dòng ICE chạy qua Transistor.
* Xét hoạt động của Transistor PNP .
Sự hoạt động của Transistor PNP hoàn toàn tương tự Transistor NPN nhưng cực tính của các nguồn điện UCE và UBE ngược lại . Dòng IC đi từ E sang C còn dòng IB đi từ E sang B.
2 – Ký hiệu và hình dạng của Transistor
2.1 – Ký hiệu & hình dáng Transistor .

2.2 – Ký hiệu ( trên thân Transistor )
*
Hiện nay trên thị trường có nhiều loại Transistor của nhiều nước sản
xuất nhưng thông dụng nhất là các transistor của Nhật bản, Mỹ và Trung
quốc.
Transistor Nhật bản : thường ký hiệu là A…, B…, C…, D… Ví dụ A564, B733, C828, D1555
trong đó các Transistor ký hiệu là A và B là Transistor thuận PNP còn
ký hiệu là C và D là Transistor ngược NPN. các
Transistor A và C thường có công xuất nhỏ và tần số làm việc cao
còn các Transistor B và D thường có công xuất lớn và tần số làm việc
thấp hơn.
Transistor do Mỹ sản xuất. thường ký hiệu là 2N… ví dụ 2N3055, 2N4073 vv…
Transistor do Trung quốc sản xuất :
Bắt đầu bằng số 3, tiếp theo là hai chũ cái. Chữ cái thức nhất cho biết
loại bóng : Chữ A và B là bóng thuận , chữ C và D là bòng ngược, chữ
thứ hai cho biết đặc điểm : X và P là bòng âm tần, A và G là bóng cao
tần. Các chữ số ở sau chỉ thứ tự sản phẩm. Thí dụ : 3CP25 ,
3AP20 vv..
2.3 – Cách xác định chân E, B, C của Transistor.
Với các loại Transistor công xuất nhỏ thì thứ tự chân C và B tuỳ theo bóng của nước nào sả xuất , nhựng chân E luôn ở bên trái nếu ta để Transistor như hình dưới
Nếu là Transistor do Nhật sản xuất : thí dụ Transistor C828, A564 thì chân C ở giữa , chân B ở bên phải.
Nếu là Transistor Trung quốc sản xuất thì chân B ở giữa , chân C ở bên phải.
Tuy nhiên một số Transistor được sản xuất nhái thì không theo thứ tự này => để biết chính xác ta dùng phương pháp đo
bằng đồng hồ vạn năng.

Với loại Transistor công xuất lớn (như hình dưới ) thì hầu hết đều có chung thứ tự chân là : Bên trái là cực B, ở giữa là cực C và bên phải là cực E.

Đo xác định chân B và C
Với Transistor công xuất nhỏ thì thông thường chân E ở bên trái như vậy ta chỉ xác định chân B và suy ra chân C là chân cònlại.
Để đồng hồ thang x1Ω , đặt cố định một que đo vào từng chân , que kia chuyển sang hai chân còn lại, nếu kim lên = nhau
thì chân có que đặt cố định là chân B, nếu que đồng hồ cố định là que đen thì là Transistor ngược, là que đỏ thì là Transistor thuận..
3- Phương pháp kiểm tra Transistor
Transistor
khi hoạt động có thể hư hỏng do nhiều nguyên nhân, như hỏng do nhiệt độ, độ ẩm, do điện áp nguồn tăng cao hoặc do chất lượng của bản thânTransistor, để kiểm tra Transistor bạn hãy nhớ cấu tạo của chúng.

Kiểm tra Transistor ngược NPN tương tự kiểm tra hai Diode đấu chung cực Anôt, điểm chung là cực B, nếu đo từ B sang C
và B sang E ( que đen vào B ) thì tương đương như đo hai diode thuận chiều => kim lên , tất cả các trường hợp đo khác kim không lên.
Kiểm tra Transistor thuận PNP tương tự kiểm tra hai Diode đấu chung cực Katôt, điểm chung là cực B của Transistor, nếu
đo từ B sang C và B sang E ( que đỏ vào B ) thì tương đương như đo hai diode thuận chiều => kim lên , tất cả các trường hợp đo khác kim không lên.
Trái với các điều trên là Transistor bị hỏng.
Transistor có thể bị hỏng ở các trường hợp .
* Đo thuận chiều từ B sang E hoặc từ B sang C => kim không lên là transistor đứt BE hoặc đứt BC
* Đo từ B sang E hoặc từ B sang C kim lên cả hai chiều là chập hay dò BE hoặc BC.
* Đo giữa C và E kim lên là bị chập CE.
* Các hình ảnh minh hoạ khi đo kiểm tra Transistor.

Minh hoạ phép đo trên : Trước hết nhìn vào
ký hiệu ta biết được Transistor trên là bóng ngược, và các
chân của Transistor lần lượt là ECB ( dựa vào tên Transistor ). < xem lại phần xác định chân Transistor >
Bước 1 : Chuẩn bị đo để đồng hồ ở thang x1Ω
Bước 2 và bước 3 : Đo thuận chiều BE và BC => kim lên .
Bước 4 và bước 5 : Đo ngược chiều BE và BC => kim không lên.
Bước 6 : Đo giữa C và E kim không lên
=> Bóng tốt.

Bước 1 : Chuẩn bị .
Bước 2 : Đo thuận giữa B và E kim lên = 0 Ω
Bước 3: Đo ngược giữa B và E kim lên = 0 Ω
=> Bóng chập BE

Bước 1 : Chuẩn bị .
Bước 2 và 3 : Đo cả hai chiều giữa B và E kim không lên.
=> Bóng đứt BE

Bước 1 : Chuẩn bị .
Bước 2 và 4 : Đo cả hai chiều giữa C và E kim lên = 0 Ω
=> Bóng chập CE
Trường hợp đo giữa C và E kim lên một chút là bị dò CE.
4 – Các thông số kỹ thuật của Transistor
4.1 – Các thông số kỹ thuật của Transistor
Dòng điện cực đại : Là dòng điện giới hạn của transistor, vượt qua dòng giới hạn này Transistor sẽ bị hỏng.
Điện áp cực đại : Là điện áp giới hạn của transistor đặt vào cực CE , vượt qua điện áp giới hạn này Transistor sẽ bị đánh thủng.
Tấn số cắt : Là tần số giới hạn mà Transistor làm việc bình thường, vượt quá tần số này thì độ khuyếch đại của Transistor bị giảm .
Hệ số khuyếch đại : Là tỷ lệ biến đổi của dòng ICE lớn gấp bao nhiêu lần dòng IBE
Công xuất cực đại : Khi hoat động Transistor tiêu tán một công xuất P = UCE . ICE nếu công xuất này vượt quá công xuất cực đại của Transistor thì Transistor sẽ bị hỏng .
4.2 – Một số Transistor đặc biệt .
* Transistor số ( Digital Transistor ) : Transistor số có cấu tạo như Transistor thường nhưng chân B được đấu thêm một điện trở vài chục KΩ

Transistor số thường được sử dụng trong các mạch công tắc , mạch logic, mạch điều khiển , khi hoạt động người ta có thể đưa trực tiếp áp lệnh 5V vào chân B để điều khiển đèn ngắt mở.

Ký hiệu : Transistor
Digital thường có các ký hiệu là DTA…( dền thuận ),DTC…( đèn ngược ) , KRC…( đèn ngược ) KRA…( đènthuận), RN12…(đèn ngược ), RN22…(đèn thuận ), UN…., KSR…
. Thí dụ : DTA132 , DTC 124 vv…
Transistor công xuất dòng ( công xuất ngang )
Transistor công xuất lớn thường được gọi là sò. Sò dòng, Sò nguồn vv..các sò này được thiết kế để điều khiển bộ cao áp hoặc biến áp nguồn xung hoạt động , Chúng thường có điện áp hoạt động cao và cho dòng chịu đựng lớn. Các sò công xuất dòng( Ti vi mầu) thường có đấu thêm các diode đệm ở trong song song với cực CE.

5 – Phân cực cho Transistor
5.1 – Cấp điện cho Transistor ( Vcc – điện áp cung cấp )
Để sử dụng Transistor trong mạch ta cần phải cấpcho nó một nguồn điện, tuỳ theo mục đích sử dụng mà nguồn điện được cấp
trực tiếp vào Transistor hay đi qua điện trở, cuộn dây v v… nguồnđiện Vcc cho Transistor được quy ước là nguồn cấp cho cực CE.

Ta thấy rằng : Nếu Transistor là ngược NPN thì Vcc phải là nguồn dương (+), nếu Transistor là thuận PNP thì Vcc là nguồn âm (-)
5.2 – Định thiên ( phân cực ) cho Transistor .
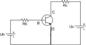
* Định thiên : là cấp một nguồn điện vào chân B ( qua trở định thiên) để đặt Transistor vào trạng thái sẵn sàng hoạt động, sẵn sàng khuyếch đại các tín hiệu cho dù rất nhỏ.

Tại sao phải định thiên cho Transistor nó mới sẵn sàng hoạt động ? : Để hiếu được điều này ta hãy xét hai sơ đồ trên :
Ở trên là hai mạch sử dụng transistor để khuyếch đại
tín hiệu, một mạch chân B không được định thiên và một mạch chân B được
định thiên thông qua Rđt.
Các nguồn tín hiệu đưa vào khuyếch đại thường có biên
độ rất nhỏ ( từ 0,05V đến 0,5V ) khi đưa vào chân B( đèn chưa có
định thiên) các tín hiệu này không đủ để tạo ra dòng IBE ( đặc điểm mối P-N phaỉ có 0,6V mới có dòng chạy qua ) => vì vậy cũng không có dòng ICE => sụt áp trên Rg = 0V và điện áp ra chân C = Vcc
Ở sơ đồ thứ 2 , Transistor có Rđt định thiên => có dòng IBE, khi đưa tín hiệu nhỏ vào chân B => làm cho dòng IBE tăng hoặc giảm => dòng ICE cũng
tăng hoặc giảm , sụt áp trên Rg cũng thay đổi => và kết quả đầu ra
ta thu được một tín hiệu tương tự đầu vào nhưng có biên độ lớn hơn.
=> Kết luận : Định thiên ( hay phân cực) nghĩa là tạo một dòng điện IBE ban đầu, một sụt áp trên Rg ban đầu để khi có một nguồn tín hiệu yếu đi vào cực B , dòng IBE sẽ tăng hoặc giảm => dòng ICE cũng tăng hoặc giảm => dẫn đến sụt áp trên Rg cũng tăng hoặc giảm => và sụt áp này chính là tín hiệu ta cần lấy ra .
5.3 – Một số mach định thiên khác .
* Mạch định thiên dùng hai nguồn điện khác nhau .

Mach định thiên có điện trở phân áp
Để có thể khuếch đại được nhiều nguồn tín hiệu mạnh yếu khác nhau, thì mạch định thiên thường sử dụng thêm điện trở phân áp Rpa đấu từ B xuống Mass.

Mạch định thiên có hồi tiếp .
Là mạch có điện trở định thiên đấu từ đầu ra (cực C ) đến đầu vào ( cực
mạch này có tác dụng tăng độ ổn định cho mạch khuyếch đại khi hoạt động.

Chúc các bạn vui vẻ , có gì không hiểu cứ pm cho mình nhé!