Diac là một cấu trúc 5 lớp bán dẫn, xem như 4 diod bán dẫn. Trong mạch, khi điện áp trên hai cực (không phân cực) của diac có một điện áp đủ lớn thì nó dẫn một xung . Ví dụ Db30 thì khi điện áp trên 2 cực đạt 30V, nó sẽ dẫn dòng ngắn đi qua thành một xung rồi ngưng dẫn.

Nói khác đi, diac đóng ngắt do điện áp trên hai cực của nó.

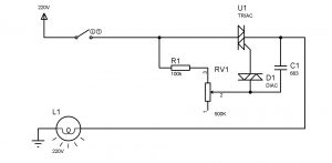
Diac thường được dùng để điều khiển SCR hay triac một cách đơn giản và hữu hiệu.

Ứng dụng của diac vào trong mạch điều chỉnh độ sáng của bóng đèn